As cargas atuantes sobre os trilhos podem ser dividas nas horizontais e verticais. A carga total é a somatória da carga por roda, da carga por aceleração lateral não compensada, pela carga do vento e pelo carregamento dinâmico. Na Figura 1 é possível identificar onde ocorre a aplicação das cargas horizontais e verticais nos trilhos.

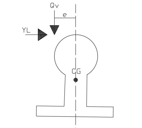
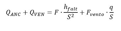
No caso das solicitações dinâmicas, elas são causadas pelas irregularidades da via. Essas irregularidades fazem com que surjam certas forças harmônicas e ressonantes, o qual a frequência é proporcional a velocidade do veículo. As solicitações dinâmicas ainda resultam no “hunting”, que é o movimento oscilação incontrolável e que faz as rodas baterem o friso na face lateral dos trilhos, gerando uma solicitação horizontal. Em curvas, atuam os momentos gerados pela aceleração não compensada e pela ação do vento sobre a composição ferroviária. A Equação 1 e Equação 2 apresenta o cálculo das cargas de vento e aceleração não pensada para cargas verticais (Q) e horizontais (Y), com base na Figura 2. Onde F é o peso do veículo, hfalt é a superelevação faltante, S é a superelevação real e q é a distância do centro de gravidade ao eixo.



Devido o formato cônico das rodas ferroviárias, o contato da roda com o trilho ocorre em apenas um ponto. Em curvas horizontais, as rodas se movimentam e aproximam os frisos do trilho, gerando o contato desse ponto também. Esse contato é o que causa dos desgastes dos trilhos e dos frisos das rodas. Dessa forma, a pressão de contato varia ao longo do percurso. A pressão de contato máxima entre roda e trilho pode ser calculada pelo método sugerido por Eisenmann, dada pela Equação 3. Onde, Q é a carga da roda em quilo-newtons acrescida de 100 newtons para considerar a solicitação da curva, e r é o raio externo da roda.

Segundo PAIVA (2016) a análise combinada é fundamental para analisar os riscos de descarrilamento dos veículos ferroviários, que podem ocorrer se a razão entre Y e Q aumentar. Os descarrilamentos podem ocorrer por:
- Ascensão e escape do friso no boleto
- Tombamento da banda da roda para interior da via
- Tombamento do veículo
O equilíbrio ocorre quando a relação entre Y e Q é maior que a tangente entre a soma do ângulo do friso da roda e o coeficiente de atrito no contato. É sugerido que essa relação apresente valores menores que 1,2 para a segurança contra o descarrilamento. Há ainda alguns autores, Stopatto (1987) que sugere uma relação menor que 0,8.
Esse artigo foi útil para você? Compartilhe esse artigo para que outras pessoas entendam esse conceito da Infraestrutura Ferroviária. Se tiver dúvidas, deixe nos comentários que elas serão respondidas!
Siga nas redes sociais abaixo para acompanhar nosso trabalho!
Fontes:
PAIVA, C.E.L. “SUPER E INFRAESTRUTURAS DE FERROVIAS: Critérios para Projeto“. Editora Elsevier: São Paulo, 2016.
NABAIS, R.J.S; “MANUAL BÁSICO DE ENGENHARIA FERROVIÁRIA”. Oficina de Textos: São Paulo, 2015.
NETO, C.B. “MANUAL DIDÁTICO DE FERROVIAS“. Universidade Federal do Paraná: Paraná, 2018.
STOPATTO, S. “VIA PERMANENTE FERROVIÁRIA: Conceitos e aplicações“. São Paulo, 1987.


