Mecânica dos Pavimentos – Do início aos dias de hoje!

Figura 1 – Análise de tensões no ANSYS. Fonte: Autor, 2021.

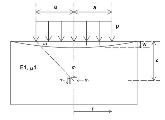
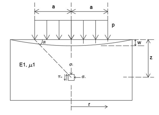
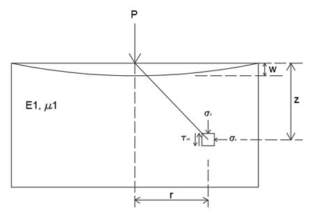
A primeira teoria que possibilitou o estudo da mecânica dos pavimentos foi desenvolvida por Joseph Boussinesq (1842-1929) no final do século XIX, a qual permitia o cálculo de tensões, deformações e deslocamentos em um meio elástico em função da profundidade de análise (z) e da distância radial (r). As equações propostas por Boussinesq consideravam a aplicação de uma carga pontual (P) em um meio semi-infinito, homogêneo, elástico e isotrópico com base na lei de Hooke generalizada, conforme Figura 1. Por considerar uma carga pontual, inicialmente as equações de Boussinesq não seriam válidas para uso em pavimentação. Contudo, as equações foram estendidas para uma carga uniformemente distribuída (p) sobre área circular de raio a, conforme Figura 2. (BALBO, 2007). Você pode conhecer mais sobre as Equações de Boussinesq no nosso artigo sobre o tema.

Figura 2 – Carga distribuída em área circular no semiespaço homogêneo pela extensão da teoria de Boussinesq. Fonte: Autor, 2020.
Figura 1- Carga Pontual aplicada no maciço no modelo de Boussinesq. Fonte: Autor, 2020.

A teoria proposta por Boussinesq foi utilizada pelo Corpo de Engenheiros dos Estados Unidos (USACE) para extrapolações das curvas empíricas de dimensionamento de pavimentos, obtidas pelo departamento de estradas da Califórnia, para as cargas de aeronaves. Após a Segunda Guerra Mundial, a USACE formulou um método de dimensionamento de pavimentos com base em uma carga de roda simples equivalente (TURNBULL E AHLVIN, 1957; 1962), o qual leva em consideração a deflexão resultante do carregamento real em comparação com a deflexão do carregamento equivalente. Este método ficou conhecido até os dias de hoje como Método CBR, e você pode conhecer mais sobre ele clicando nesse artigo.

 Segundo MEDINA e MOTTA (2015), as deflexões medidas em campo diferem das calculadas pela solução de Boussinesq. Isso ocorre pois o pavimento é uma estrutura constituída por camadas com diferentes módulos de resiliência, algo que não é considerado nas equações de Boussinesq.

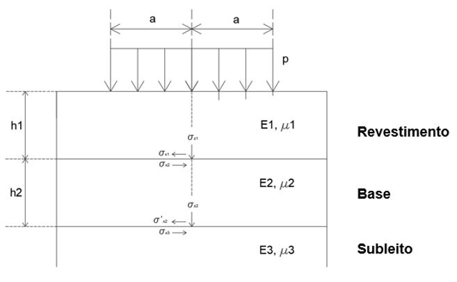
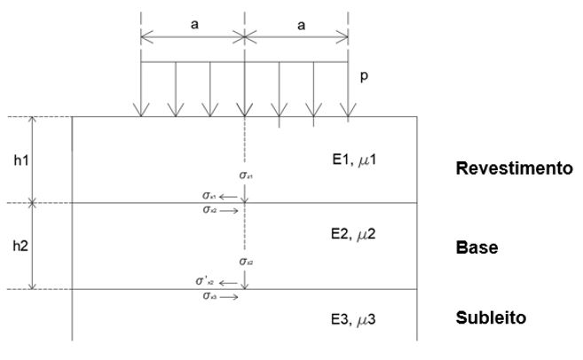
Donald Burmister (1895-1981) foi o responsável por desenvolver um modelo matemático que permite considerar o pavimento como um sistema de camadas, sendo chamada de teoria do sistema de camadas elásticas (TSCE). A teoria considera que os materiais das camadas são elásticos, homogêneos e isotrópicos de forma que a lei de Hooke generalizada seja válida, que as camadas não possuem peso, são infinitas transversalmente e finitas na profundidade, com exceção do subleito que é tratado como infinito em ambas as direções; as interfaces podem ou não apresentar atrito e na superfície só há tensões normais na área de carregamento (MEDINA e MOTTA, 2015).

A teoria do sistema de camadas elásticas foi publicada inicialmente para um sistema de duas camadas, sendo o revestimento e o subleito (BURMISTER, 1943), e posteriormente para um sistema de três camadas, possibilitando a análise com revestimento, base e subleito (BURMISTER, 1945). A Figura 3 ilustra o sistema de múltiplas camadas e os esforços solicitantes.

Figura 3 – Sistema de Camadas proposto por Burmister. Fonte: Autor, 2020.

Na década de 50 e 60 diversos autores utilizaram a teoria de Burmister para criação de ábacos que facilitassem o cálculo de tensões, deflexões e deformações no pavimento, conforme descrito por MEDINA e MOTTA (2015). Contudo, com o avanço da tecnologia, hoje os cálculos podem ser realizados através de análises computacionais que utilizam o método dos elementos finitos (MEF) ou método das diferenças finitas (MDF).

Para pavimentos flexíveis, as respostas estruturais são calculadas em qualquer ponto do maciço utilizando a teoria do sistema de camadas elásticas, ampliada pelo método das diferenças finitas para cinco ou mais camadas, em softwares como ELSYM5, MEPADS, CIRCLY e AEMC, ou através do método dos elementos finitos (MEF) nos softwares ABAQUS, ANSYS e FEPAVE2, por exemplo. Os softwares citados são utilizados em diversos países nos métodos de dimensionamento de pavimentos empírico-mecanísticos, como o CIRCLY que é utilizado na Austrália no método de dimensionamento de pavimentos da AUSTROADS (2017). O software Análise Elástica de Múltiplas Camadas (AEMC), desenvolvido por FRANCO (2007), por exemplo, permite a consideração de 2 condições de aderência na interface das camadas, sendo aderência plena ou sem aderência, e análise de comportamento elástico linear e não linear.

O Mechanistic Empirical Pavement Design Software and General Analysis of Multi-layered Elastic Systems (mePADS GAMES) foi desenvolvido na África do Sul e permite a variação do coeficiente de escorregamento entre 0 (aderência plena) e 1 (sem aderência), podendo considerar valores intermediários de aderência na interface das camadas (MAINA, DENNEMAN E DE BEER, 2008). A Figura 4 ilustra uma análise de tensões verticais no software mePADS.

Figura 4 – Análise com o software mePADS GAMES. Fonte: Autor, 2021.

Em métodos empírico-mecanísticos de dimensionamento de pavimentos, as equações de fadiga que relacionam o número de repetições de carga e as solicitações do pavimento são determinadas em laboratório. Segundo FRANCO (2007), estas equações de fadiga necessitam de um fator de calibração entre campo e laboratório, o que caracteriza o empirismo no método. Após a calibração das equações de fadiga, as respostas estruturais obtidas no software são inseridas nesses modelos para determinar o número de repetições admissível do eixo solicitante.

No Brasil ainda é utilizado um método de dimensionamento semiempírico elaborado por SOUZA (1979), que tem como base os estudos de TURNBULL, FOSTER e ALVHIN (1962) e conceitos obtidos nas pistas experimentais da AASHO. FRANCO (2007) desenvolveu um software e método de dimensionamento de pavimentos que está sob análise do Departamento Nacional de Infraestrutura de Transportes (DNIT) para sua implementação com o nome de Método de Dimensionamento Nacional (MeDiNa). O método está em período de calibração campo-laboratório e deve ser oficializado em breve.

Este artigo consiste em uma recapitulação de onde saímos e para onde estamos indo no estudo de tensões e deformações em pavimentos. Alguns outros artigos elaborados pelo autor deste post foram referenciados para que os leitores possam se aprofundar no assunto discutido. Se este artigo foi útil, deixe um comentário, siga nossa página, compartilhe e acompanhe os demais artigos.

Siga nas redes sociais abaixo para acompanhar nosso trabalho!

60312da1fe41b1f2a8a84e4c959b4e0e
if_linkedin_circle_color_107178
aaa

Referências Bibliográficas:

AUSTROADS. Guide to pavement technology part 2:  pavement structural design. Sidney, 2017.

BALBO, J.T. PAVIMENTAÇÃO ASFÁLTICA: Materiais, projeto e restauração. São Paulo, 2007.

BURMISTER, D.M. The theory of stresses and displacements in layered system and applications to the design of airport runways. Proceedings. HRB. 23. Annual Meeting. Washington, Dc, V.23, 1943.

BURMISTER, D.M. The general theory of stresses and displacements in layered system. I, ii and iii, Journal of Applied Physics, EUA, 1945.

CAVA. F.H. Análise da Influência da pressão de enchimento dos pneus e da condição de aderência entre camadas no dimensionamento de Pavimentos flexíveis. Escola Politécnica da USP: Dissertação de Mestrado. São Paulo, 2021.

FRANCO, F.A.C.P. Método de dimensionamento mecanístico-empírico de pavimentos asfálticos – Sispav. Tese de doutorado: UFRJ. Rio de janeiro, 2007.

MAINA, J.W., DENNEMAN, E. AND DE BEER, M. Introduction of new road pavement response modelling software by means of benchmarking. Partnership for research and progress in Transportation. 27th Southern African Transport Conference (SATC), Pretoria, South Africa, July 7-11, 2008, pp 1-14.

MEDINA, J; MOTTA, L.M.G. MECÂNICA DOS PAVIMENTOS. RIO DE JANEIRO, 2015.

SOUZA, M.L. Método de projeto de pavimentos flexíveis. 2 ed, atual. Rio De Janeiro: IPR, 1979

TURNBULL, W.J; AHLVIN, R.G. Mathematical expression of the CBR (California Bearing Ratio) relations. Proceedings. 4. Intern. Conf. Soil. Mechan. Found. Engineering. Londres, 1957.

TURNBULL, W.J; FOSTER, C.R; AND AHLVIN, R.G. Design of flexible pavements considering mixed loads and traffic volumes. Proceeding International Conference on The Structural Design of Asphalt Pavements, August 1962, pp. 821-825.

2 comentários

  1. Boa tarde Dr. Dr executando dois traços de CBUQ,os dois na mesma faixa, só que um, método Marshall, e o outro , método do Superpave. Duvida, haverá diferença nos teores de cap, entre os métodos? Se haverá diferença, quem pedira mais cap método Marshall, ou Superpave? Muito agradecido.

    Curtido por 1 pessoa

    1. Olá!

      Sim, existe diferença no teor de ligante encontrado pelas dosagens Marshall e Superpave. Como a forma de comparação muda, sendo um por impacto (Marshall) e outro por amassamento (Superpave), o teor de ligante é diferente. Normalmente pelo Superpave resulta em um teor de ligante menor do que o Marshall.

      Curtir

Deixe uma resposta